
Wireless DRO Adapter for Glass/Magnetic Scales
This is TouchDRO Controller (full version) No-Soldering Kit for Glass and Magnetic DRO Scales. It supports up to four scale inputs, tachometer and tool height setter/touch probe input. The kit includes four DB9 pigtail assemblies with pre-crimped gold plated pins and requires no soldering.
Inlcluded: fully assembled, programmed and tested controller board, four DB9 connector pigtail assemblies and a AC/DC power adapter
You Provide:Plastic enclosure
Description
TouchDRO Quadrature DRO controller kit works with Glass and Magnetic DRO scales that output either differential (RS-422) or single-sided (TTL) incremental quadrature signal. This includes most modern DRO scales on the market, including Ditron, Easson, Sino, some Acu-Rite models and many others.
The controller is engineered for industrial application and offers excelled noise immunity, reliability and repeatablity. To ensure long service life for the controller and the scales, the controller uses purpose-made RS-422 interface chips, name brand capacitors rated at at least double the expected input voltage, low dropout voltage regulator and high quality PCB.
All genuine TouchDRO controllers are fabricated and assembled in the USA to stringent IPS-A-600/610 Class II or better standard and use quality name brand components for best reliability and durability. I personally inspect every board and run it through a full range of tests (scale connectivity, bluetooth, etc.) before shipping it to you.
Specifications
Features
Scale Intputs | 4 |
---|---|
Angular Axis | Yes* |
Tachometer Intput | Yes |
Probe/Height Setter | Yes |
Power Supply | 7V DC - 12V DC |
Current Draw | Approx. 50 mA |
Width | 2.325" |
Letgth | 2.9" |
* Shares input with the fourth linear axis
Supported Scales
Controller supports Glass or Magntic DRO scales that output TTL or RS-422 quadrature signal. This inludes:
- Ditron
- Eassong
- Sino
- Many others
Mechanical Drawings

Documentation
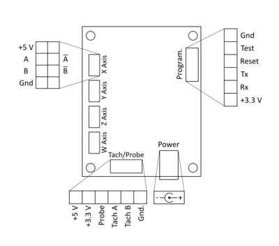
Port Functions

Port | Description |
---|---|
X,Y,Z,W Inputs | Inputs for four linear axes. |
Tach/Probe | Buffered tachometer and probe inputs. Directional tachomter requires optical encoder with quadrature input. For single pulse input use only "A" line |
Power | Power supply input. Requires DC power source between 7V and 12V DC. Most optimal voltage is around 6V. Higher voltage will result in more heat around the voltage regulator; lower voltage might cause brownouts. |
Axis Input Pin Functions
Inputs for the scales are located along the left edge of the board, with first axis (X) on the top and last (W) at the bottom. Each connection uses a 2x4 pin header that has the following connections:
- Vcc - +5V supply for the scale
- A - primary input from A channel
- A' - complementary input from A channel
- B - primary input from B channel
- B' - complementary input from B channel
- Ground - 0V (connected to the chassis ground
Inputs A' and B' are optional. If left unconnected, they will be pulled down to the ground and the readout will still work as expected. If the scales support differential output, it's recommended to use all four channels for better noise immunity. Otherwise the exposed pins of the unused wires need to be isolated to prevent them from shorting something out.
Tachometer
The board is setup to accept a directional tachometer that has either push-pull or line driver quadrature output. For directional input connect Vcc to either 3.3V or 5V (depending on your particular sensor), A and B output, and Ground. If B is not connected the tachometer will be non-directional.
Note: there are some rotary encoders that provide open-collector (also called NPN) output that need additional parts to adapt to the board. Namely, the pins need to be pulled up to Vcc via 5K resistors.
Touch Probe
Inexpensive touch probes and tool height setters work similar to a simple electrical switch. Depending on the configuration, when the probe touches the workpiece it either opens the circuit, or closes it (normally-closed or normally-open, respectively). TouchDRO board supports (and automatically detects) both flavors.
The probe can be connected as follows: connect one side of the switch to Vcc (5v or 3.3V) and the other to the probe pin. If the probe has an LED, it has to be reverse-biased (backwards), or the input won't work. To test this, connect the probe to Vcc and Ground. If the LED lights up (either when the probe is touching, or not touching), reverse the leads.
Grounding
Proper grounding is very important for stable operation of the DRO unit. Although industrial-grade glass and magnetic scales aren't nearly as sensitive to EMF as their capacitive counterparts, electrical noise can still cause problems. The easiest way to reduce EMF issues is to ground the board to the machine's frame. Mounting holes on the board are tied to the ground fill, as are all of the ground pins.